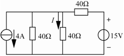
已知电路如图所示,其中,相应电流I在电压源单独作用时的分量为(  )。 A、 0、375A B、 0、25A C、 0、125A D、 0、...

作者: tihaiku 人气: - 评论: 0
问题 已知电路如图所示,其中,相应电流I在电压源单独作用时的分量为(  )。
选项 A、 0、375A B、 0、25A C、 0、125A D、 0、1875A
答案 C
解析

相关内容:电路,如图,电流,电压,用时,分量

猜你喜欢

发表评论
更多 网友评论0 条评论)
暂无评论

Copyright © 2012-2014 题库网 Inc. 保留所有权利。 Powered by tikuer.com

页面耗时0.0243秒, 内存占用1.05 MB, Cache:redis,访问数据库19次