某110kV变电所装有两台三卷变压器,额定容量为120/120/60MVA,额定电压110/35/10kV,阻抗为21?U=9.5%、31?U=28%、3...

作者: rantiku 人气: - 评论: 0
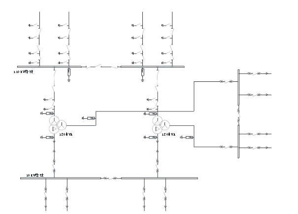
问题 某110kV变电所装有两台三卷变压器,额定容量为120/120/60MVA,额定电压110/35/10kV,阻抗为21?U=9.5%、31?U=28%、32?U=19%。主变110kV、35kV侧均为架空进线,110kV架空出线至2km之外的变电所(全线有避雷线),35kV和10kV为负荷线,10kV母线上装设有并联电容器组,其电气主接线图如下图所示。 图中10kV配电装置距主变压器1km,主变10kV侧采用3*185铜芯电缆接10kV母线,电缆单位长度电阻为0.103Ω/km,电抗为0.069Ω/km。功率因数?cos=0.85。请回答下列问题。(计算题按最接近数值选项)
选项 上图中,取基准容量Sj=1000MVA,其110kV系统正序阻抗标么值为0.012,当35kV母线发生三相短路时,其归算至短路点的阻抗标幺值最接近下列哪项? (A) 1.964 (B) 0.798 (C) 0.408 (D) 0.399
答案 C
解析 根据《电力工程电气设计手册?电气1》第四章,表4-2,变压器的标么值为:

猜你喜欢

发表评论
更多 网友评论0 条评论)
暂无评论

访问排行

Copyright © 2012-2014 题库网 Inc. 保留所有权利。 Powered by tikuer.com

页面耗时0.0277秒, 内存占用1.03 MB, Cache:redis,访问数据库17次