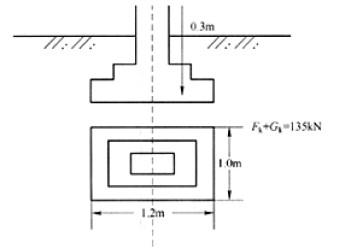
柱基底面尺寸为1.2mX1.0m,作用于基础底面的偏心荷载Fk+Gk= 135kN。当偏心距e为0.3m时, 基础底面边缘的最大压力Pkmax,为()。 ...

作者: rantiku 人气: - 评论: 0
问题 柱基底面尺寸为1.2mX1.0m,作用于基础底面的偏心荷载Fk+Gk= 135kN。当偏心距e为0.3m时, 基础底面边缘的最大压力Pkmax,为()。 A. 250kPa B. 275kPa C. 300kPa D. 325kPa
选项
答案 C
解析

猜你喜欢

发表评论
更多 网友评论0 条评论)
暂无评论
错误啦!

错误信息

  • 消息: [程序异常] : MISCONF Redis is configured to save RDB snapshots, but it's currently unable to persist to disk. Commands that may modify the data set are disabled, because this instance is configured to report errors during writes if RDB snapshotting fails (stop-writes-on-bgsave-error option). Please check the Redis logs for details about the RDB error.
  • 文件: /twcms/kongphp/cache/cache_redis.class.php
  • 位置: 第 85 行
    <?php echo 'KongPHP, Road to Jane.'; ?>